تماس بگیرید
نقشه مدار بی متال

نقشه مدار بی متال

 راهنمای جامع نقشه مدار بی متال و سیم بندی رله حرارتی. آموزش عملی بستن مدار قدرت و فرمان، کنتاکت های 95-96 و نصب روی کنتاکتور. مشاوره فنی با مبین نیرو.

مقدمه

در دنیای صنعت، الکتروموتورها حکم قلب تپنده خطوط تولید را دارند. سوختن یک موتور الکتریکی در اثر اضافه بار، هم هزینه سنگین سیم پیچی مجدد یا تعویض را به کارخانه تحمیل میکند، هم با توقف خط تولید، خسارت های میلیاردی به بار می آورد. اینجاست که قطعه ای کوچک اما حیاتی به نام “بی متال” یا رله حرارتی وارد میدان میشود. اما داشتن بهترین بی متال دنیا بدون دانستن نقشه مدار بی متال و نحوه صحیح سیم بندی آن، هیچ ارزشی ندارد.

بسیاری از برقکاران تازه کار و حتی برخی تکنسین های باسابقه، در تفکیک مدار قدرت و فرمان بی متال دچار تردید میشوند. اشتباه در بستن سیم های فرمان (کنتاکت های 95 و 96) میتواند باعث شود که حتی در صورت داغ شدن موتور، برق قطع نشود و فاجعه رخ دهد.

ما در شرکت مبین نیرو، به عنوان مرجع تخصصی تامین تجهیزات برق صنعتی و نماینده رسمی برندهای معتبری همچون اشنایدر الکتریک (Schneider Electric) و تکو (TECO)، روزانه با سوالات فنی زیادی در خصوص نحوه نصب و تنظیم این تجهیزات روبرو هستیم. هدف ما در این مقاله جامع، ارائه یک کلاس درس کامل و عملی درباره نقشه خوانی و سیم بندی بی متال است.

اگر همین حالا در حال مونتاژ تابلو برق هستید و نیاز به راهنمایی فوری دارید، یا قصد خرید رله های حرارتی اورجینال را دارید، تیم مهندسی ما آماده پاسخگویی است.

اطلاعات تماس و دسترسی:

نقشه مدار بی متال
نقشه مدار بی متال

نقشه مدار بی متال چیست؟

برای کسانی که به دنبال پاسخ سریع و اجرایی هستند، نقشه مدار بی متال به دو بخش مجزا اما مرتبط تقسیم میشود: مدار قدرت و مدار فرمان.

  1. مدار قدرت (Power Circuit): بسیار ساده است. سه فاز ورودی (L1, L2, L3) از خروجی کنتاکتور وارد شاخک های ورودی بی متال میشوند و از سه پیچ خروجی بی متال (T1, T2, T3) مستقیما به تخته کلم موتور میروند. در اینجا هیچ پیچیدگی خاصی وجود ندارد جز اینکه اتصالات باید بسیار محکم باشند.
  2. مدار فرمان (Control Circuit): این بخش مغز متفکر حفاظت است. روی بی متال دو کنتاکت مهم وجود دارد:
    • کنتاکت بسته (NC) با شماره های 95 و 96: این کنتاکت باید به صورت “سری” در مسیر بوبین کنتاکتور قرار گیرد. یعنی سیم فاز فرمان ابتدا وارد پایه 95 میشود، از پایه 96 خارج شده و سپس به شاسی استپ یا بوبین کنتاکتور میرود. وقتی موتور داغ کند، این کنتاکت باز میشود و برق بوبین قطع میگردد؛ در نتیجه کنتاکتور خاموش میشود.
    • کنتاکت باز (NO) با شماره های 97 و 98: این کنتاکت برای “هشدار” است. وقتی بی متال عمل کند (تریپ دهد)، این کنتاکت بسته میشود. میتوانید آن را به یک چراغ سیگنال قرمز یا آژیر وصل کنید تا اپراتور بفهمد خطا رخ داده است.

برای درک عمیق تر اینکه این قطعه دقیقا چگونه عمل میکند و چه ساختاری دارد، پیشنهاد میکنیم حتما مقاله پایه ای بیمتال چیست را مطالعه کنید.

تحلیل دقیق مدار فرمان: راز اعداد 95، 96، 97 و 98

در استانداردهای برق صنعتی (IEC)، شماره گذاری ترمینال ها معنای خاصی دارد. در نقشه مدار بی متال، درک این اعداد حیاتی است. بیایید سناریوی عملکرد را بررسی کنیم.

ترمینال های 95 و 96 (NC – Normal Close)

این دو ترمینال، “کلید قطع اضطراری حرارتی” شما هستند. در حالت عادی که موتور سرد است و یا جریان نامی از آن میگذرد، این دو پایه به هم متصل هستند (بسته اند).

  • نحوه سیم بندی: فاز فرمان –> فیوز مینیاتوری فرمان –> شاسی استپ –> پایه 95 بی متال –> پایه 96 بی متال –> شاسی استارت –> بوبین کنتاکتور (A1).
  • عملکرد: اگر جریان موتور از حد تنظیمی روی بی متال بیشتر شود، تیغه های فلزی داخل بی متال خم شده و اتصال بین 95 و 96 را قطع میکنند. چون این مسیر سری با بوبین کنتاکتور است، کنتاکتور بی برق شده و موتور خاموش میشود.

ترمینال های 97 و 98 (NO – Normal Open)

این دو ترمینال برای “سیگنال خطا” (Fault Signal) طراحی شده اند. در حالت عادی باز هستند و جریانی عبور نمیدهند.

  • نحوه سیم بندی: فاز فرمان –> پایه 97 بی متال –> پایه 98 بی متال –> لامپ سیگنال زرد یا قرمز (Fault).
  • عملکرد: به محض اینکه بی متال تریپ دهد (عمل کند)، همزمان با باز شدن تیغه 95-96، تیغه 97-98 بسته میشود و چراغ هشدار روی درب تابلو برق روشن میشود.

استفاده از برندهای معتبر در عملکرد دقیق این کنتاکت ها بسیار موثر است. رله های بی کیفیت ممکن است در اثر لرزش تابلو، خود به خود قطع شوند یا در زمان خطا عمل نکنند. برای مشاهده محصولات باکیفیت، به صفحه بی متال یا رله حرارتی اشنایدر الکتریک مراجعه کنید.

نصب فیزیکی و مکانیکی روی کنتاکتور

بی متال ها معمولا طوری طراحی شده اند که مستقیما زیر کنتاکتور نصب شوند. شاخک های مسی ورودی بی متال، دقیقا داخل ترمینال های خروجی کنتاکتور (2T1, 4T2, 6T3) میروند و پیچ میشوند.

نکات مهم در نصب مکانیکی:

  1. تناسب سایز: سایز بی متال باید با سایز کنتاکتور همخوانی داشته باشد. مثلا نمیتوانید یک بی متال بزرگ را زیر یک کنتاکتور مینیاتوری نصب کنید. برندها معمولا جداول انتخابی دارند.
  2. پایه جداگانه: اگر بخواهید بی متال را جدا از کنتاکتور نصب کنید (مثلا روی ریل DIN)، نیاز به یک پایه یا آداپتور مخصوص دارید که ترمینال های ورودی را برای سیم بندی آماده کند.
  3. سفتی اتصالات: شل بودن پیچ های اتصال بی متال به کنتاکتور، باعث ایجاد حرارت در نقطه اتصال (Hot Spot) شده و باعث میشود بی متال خطا دهد یا حتی ذوب شود. این یکی از نکات کلیدی در راهنمای جامع مونتاژ تابلو برق: نکات فنی، ایمنی و استانداردها است که باید رعایت شود.

اگر به دنبال کنتاکتورهایی هستید که هماهنگی کاملی با رله های حرارتی استاندارد داشته باشند، محصولات معرفی شده در صفحه کنتاکتور تکو گزینه های بسیار مهندسی شده ای هستند.

نقشه مدار بی متال
نقشه مدار بی متال

تنظیم جریان و دکمه های روی بی متال

روی بدنه بی متال، علاوه بر ترمینال های فرمان، چند بخش مهم دیگر هم وجود دارد که بخشی از “نقشه راه اندازی” محسوب میشوند:

۱. پیچ تنظیم جریان (Current Setting Dial)

یک پیچ چرخشی مدرج است که باید روی جریان نامی موتور تنظیم شود.

  • فرمول تنظیم: معمولا بی متال را دقیقا روی جریان نامی موتور (In) که روی پلاک نوشته شده تنظیم میکنند. اگر موتور دائم کار و زیر بار کامل است، تنظیم روی ۱.۰۵ برابر جریان نامی هم رایج است، اما برای ایمنی بیشتر همان جریان نامی توصیه میشود.

۲. دکمه ریست (Reset Button)

وقتی بی متال عمل میکند، باید دوباره به حالت اول برگردد تا موتور روشن شود. این دکمه دو حالت دارد:

  • حالت دستی (H یا Hand): پس از سرد شدن تیغه ها، اپراتور باید بیاید و دکمه آبی رنگ ریست را فشار دهد. این حالت ایمن ترین روش است زیرا اپراتور متوجه خطا میشود.
  • حالت اتوماتیک (A یا Auto): پس از سرد شدن تیغه ها، بی متال خود به خود وصل میشود.
    • هشدار خطرناک: در مدارهایی که از کلیدهای دائم (مانند فلوتر یا پرشر سوئیچ) استفاده میکنند، هرگز بی متال را روی حالت اتوماتیک نگذارید. چون موتور خود به خود روشن میشود و ممکن است دست تعمیرکار لای دستگاه باشد.

۳. دکمه تست (Test) و توقف (Stop)

  • دکمه Stop (قرمز): با فشردن این دکمه، کنتاکت 95-96 باز میشود و کنتاکتور قطع میشود، اما کنتاکت 97-98 (هشدار) تغییر وضعیت نمیدهد. برای تست مدار فرمان استفاده میشود.
  • دکمه Test: با نوک پیچ گوشتی فعال میشود و شرایط تریپ واقعی را شبیه سازی میکند (هم کنتاکتور قطع میشود و هم چراغ آلارم روشن میشود).

سیم بندی بی متال در مدارهای خاص

نقشه مدار بی متال همیشه یکسان نیست و بسته به نوع راه اندازی موتور تغییر میکند.

۱. مدار راه اندازی مستقیم (DOL)

این ساده ترین حالت است که در بالا توضیح دادیم. بی متال مستقیما زیر کنتاکتور اصلی نصب میشود و جریان خط را می سنجد.

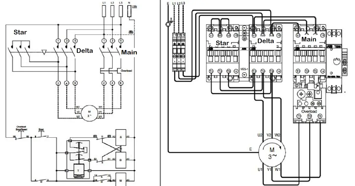
۲. مدار راه اندازی ستاره-مثلث

در راه اندازی ستاره-مثلث، جایگاه بی متال بسیار مهم است. دو روش وجود دارد:

  • روش اول (نصب زیر کنتاکتور شبکه/اصلی): در این حالت بی متال جریان فازی را می سنجد (نه جریان خط). بنابراین باید پیچ تنظیم جریان بی متال را روی ۰.۵۸ ضربدر جریان نامی موتور تنظیم کنید. این اشتباه رایجی است که باعث سوختن موتور میشود چون برقکاران آن را روی جریان کامل تنظیم میکنند و بی متال دیر عمل میکند.
  • روش دوم (نصب در ورودی کل مدار): در این حالت بی متال جریان کامل خط را می بیند و باید روی جریان نامی تنظیم شود. اما این روش نیاز به بی متال بزرگتری دارد و هزینه بر است.

اگر با سیستم های کنترلی پیشرفته تر مانند PLC کار میکنید، سیگنال خطای بی متال (97-98) میتواند به عنوان یک ورودی دیجیتال به PLC داده شود تا سیستم هوشمندانه تصمیم بگیرد. برای درک ارتباط این تجهیزات، مقاله پی ال سی چیست را مطالعه کنید.

حفاظت بی متال در برابر قطعی فاز

آیا میدانستید بی متال های مدرن علاوه بر اضافه بار، در برابر “دو فاز شدن” نیز حساس هستند؟ به این ویژگی Differential Protection میگویند. در نقشه داخلی بی متال، یک مکانیسم دیفرانسیل وجود دارد. اگر جریان یکی از فازها قطع شود، تیغه مربوط به آن فاز سرد میشود در حالی که دو فاز دیگر گرم هستند. این اختلاف باعث میشود مکانیزم مکانیکی سریعتر عمل کرده و مدار را قطع کند (معمولا در کمتر از ۲ ساعت اگر بار کم باشد، و خیلی سریعتر اگر بار نامی باشد).

برای حفاظت های دقیق تر موتوری، گاهی اوقات به جای بی متال از “کلید حرارتی مغناطیسی” (MPCB) استفاده میشود که هم کار بی متال را میکند و هم کار فیوز مینیاتوری را.

عیب یابی مدار بی متال: چرا موتور روشن نمیشود؟

اگر مدار فرمان را بسته اید اما کنتاکتور جذب نمیکند، مراحل زیر را چک کنید:

  1. دکمه ریست: مطمئن شوید بی متال در حالت تریپ نمانده است. دکمه ریست را فشار دهید.
  2. چک کردن کنتاکت 95-96: با مولتی متر (تست بوق) دو سر 95 و 96 را چک کنید. باید راه بدهد (بوق بزند). اگر مدار باز است، بی متال خراب شده است.
  3. اتصالات: مطمئن شوید سیم های مدار فرمان زیر پیچ های بی متال سفت هستند.
  4. تست جریان: اگر موتور روشن میشود اما بعد از مدتی بی متال میپرد، با آمپرمتر کلمپی جریان موتور را اندازه بگیرید. ممکن است موتور واقعا مشکل مکانیکی (گیرپاژ) داشته باشد یا تنظیم بی متال خیلی پایین باشد.
نقشه مدار بی متال
نقشه مدار بی متال

پرسش های متداول

در ادامه به ۱۰ سوال پرتکرار که مشتریان مبین نیرو اغلب درباره نقشه و نصب بی متال می پرسند، پاسخ میدهیم:

۱. آیا میتوانم جای ورودی و خروجی قدرت بی متال را عوض کنم؟

خیر. بی متال ها معمولا جهت دارند و شاخک های ورودی باید به کنتاکتور وصل شوند. اگر برعکس ببندید، حفاظت انجام میشود اما از نظر استاندارد نصب و عایق بندی صحیح نیست.

۲. اگر کنتاکت 97-98 را سیم بندی نکنم چه میشود؟

اتفاقی برای حفاظت موتور نمی افتد. موتور همچنان محافظت میشود، اما وقتی بی متال تریپ داد، هیچ چراغ هشداری روشن نمیشود و اپراتور ممکن است سردرگم شود که چرا موتور خاموش شده است.

۳. تفاوت بی متال و کنترل بار دیجیتال چیست؟

بی متال مکانیکی است و دقت کمتری دارد و تحت تاثیر دمای محیط قرار میگیرد. کنترل بار دیجیتال از ترانس جریان (CT) استفاده میکند، بسیار دقیق تر است و امکانات بیشتری دارد، اما گران تر است.

۴. آیا بی متال در برابر اتصال کوتاه محافظت میکند؟

خیر، هرگز! بی متال فقط برای “اضافه بار” (Overload) است. برای حفاظت در برابر اتصال کوتاه حتما باید قبل از کنتاکتور از فیوز مینیاتوری یا کلید اتوماتیک استفاده کنید.

۵. منظور از کلاس تریپ (Trip Class) در بی متال چیست؟

کلاس تریپ (مثل Class 10 یا Class 20) نشان میدهد که در صورت عبور جریان ۷.۲ برابر جریان نامی، بی متال چند ثانیه طول میکشد تا قطع کند. کلاس ۱۰ (رایج ترین) در ۱۰ ثانیه قطع میکند. کلاس ۲۰ برای موتورهای سنگین کار است.

۶. آیا میتوان از بی متال سه فاز برای موتور تک فاز استفاده کرد؟

بله، اما باید تمام تیغه های بی متال گرم شوند. برای این کار باید فاز را از تیغه اول رد کنید، سپس خروجی آن را به ورودی تیغه دوم برگردانید و از تیغه سوم خارج کنید (سیم بندی سری تیغه ها).

۷. چرا بی متال من در تابستان زودتر قطع میکند؟

چون بی متال اساس حرارتی دارد. اگر تابلو برق زیر آفتاب باشد و دمای داخل آن بالا رود، بی متال زودتر عمل میکند. بی متال های مرغوب (مثل اشنایدر) دارای “جبران ساز دمای محیط” هستند تا این خطا را کم کنند.

۸. سیم فرمان را به کدام پیچ کنتاکتور وصل کنم؟

خروجی پایه 96 بی متال باید به پایه بوبین کنتاکتور که معمولا با A1 یا A2 مشخص شده است وصل شود.

۹. آیا بی متال نیاز به برق جداگانه دارد؟

خیر، بی متال یک قطعه پسیو است و نیاز به منبع تغذیه جداگانه (مثل فاز و نول برای روشن شدن) ندارد. انرژی خود را از حرارت ناشی از عبور جریان موتور میگیرد.

۱۰. از کجا بفهمیم بی متال خراب است؟

اگر موتور سرد است اما کنتاکت 95-96 باز است (بوق نمیزند) و با زدن دکمه ریست هم وصل نمیشود، مکانیزم مکانیکی داخل آن شکسته و باید تعویض شود.

نتیجه گیری

درک صحیح نقشه مدار بی متال و اجرای دقیق آن، مرز بین یک تابلوساز حرفه ای و آماتور است. این قطعه ساده، مسئولیت سنگینی در حفاظت از سرمایه های کارخانه دارد. سیم بندی صحیح مدار فرمان (سری کردن کنتاکت 96-95) و تنظیم دقیق جریان، دو اصل طلایی هستند که هرگز نباید فراموش شوند.

ما در مبین نیرو معتقدیم که “دانش” بهترین ابزار ایمنی است. به همین دلیل علاوه بر تامین قطعات اورجینال، تلاش میکنیم تا با ارائه مقالات فنی، سطح دانش صنعتگران عزیز را ارتقا دهیم. فراموش نکنید که استفاده از بی متال های تقلبی یا بی کیفیت، حتی با سیم بندی درست هم نمیتواند امنیت موتور شما را تضمین کند.

اگر برای پروژه های خود به تجهیزات حفاظتی مطمئن نیاز دارید، یا میخواهید از اصالت کالای خریداری شده اطمینان حاصل کنید، کارشناسان ما در مبین نیرو آماده ارائه مشاوره و خدمات به شما هستند. همین امروز با ما تماس بگیرید و با خیالی آسوده، ایمنی تاسیسات خود را ارتقا دهید. همچنین برای آشنایی بیشتر با ما، میتوانید صفحه درباره ما را مطالعه فرمایید. حفاظت از موتورهای شما، تخصص ماست.

برای مطالعه بیشتر درباره استانداردهای بین المللی سیم بندی و حفاظت موتور، می توانید به وب سایت IEC مراجعه کنید.

اطلاعات تماس شرکت مبین نیرو رای:

جدیدترین مطالب
عضویت در خبرنامه
اشتراک گذاری مطلب

دیدگاهتان را بنویسید

نشانی ایمیل شما منتشر نخواهد شد. بخش‌های موردنیاز علامت‌گذاری شده‌اند *


Notice: ob_end_flush(): Failed to send buffer of zlib output compression (1) in /home/mobinnir/public_html/wp-includes/functions.php on line 5481

Notice: ob_end_flush(): Failed to send buffer of zlib output compression (1) in /home/mobinnir/public_html/wp-includes/functions.php on line 5481